羞羞动漫在线观看FC51是一款高性能变频器,可以控制功率高达 22 kW 的风机和水泵,外形小巧功能超强可靠,具有内置SLC(智能逻辑)功能,可以满足各种应用需求。
在水泵应用中,羞羞漫画在线观看经常会接触到恒压控制系统。丹佛斯FC51变频器自带PI调节功能,能实现恒压供水控制。但是恒压供水系统中还有很多其他功能,例如:休眠功能,羞羞漫画在线观看就可以使用FC51自带的SLC功能来实现。
现在羞羞漫画在线观看来介绍如何运用FC51的 SLC逻辑实现恒压供水+休眠功能。
一、休眠功能的要求:
在恒压供水控制系统中,为了节省电能和防止水泵频繁启停,要求当泵的速度低至输出频率下限,延时一段时间后变频器自动停止输出,进入休眠状态;然后当压力反馈值低于设定压力下限值时,再自动唤醒变频器。
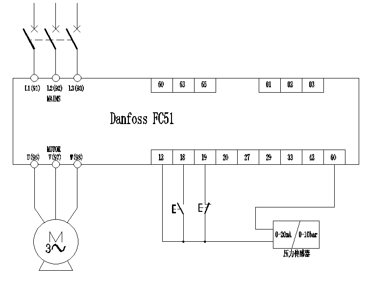
具体接线图如下:
系统时序图如下所示:
SLC逻辑原理图如下所示:

通过以上设置,当恒压系统中泵的转速低于20.1 Hz时,延时10秒,启动休眠模式,变频器停止输出;在泵处在休眠状态时,当恒压供水系统的压力反馈值低于4 bar时,延时10秒,启动变频器,这样就实现了恒压供水系统的休眠功能。
声明:
本文版权为上海羞羞漫画在线观看变频器有限公司所有,如需转载请注明出处。
获取更多帮助和支持,请登陆上海羞羞漫画在线观看变频器有限公司网站 www.zgfhfw.com 或拨打上海羞羞漫画在线观看变频器专业服务中心7/24技术支持热线400-888-6560,随时与羞羞漫画在线观看联系。