
施耐德ATV31系列变频器广泛应用于电梯、纺织、机床、起重运输和港口等行业,以下是施耐德ATV31系列变频器常见故障案例。
故障现象:变频器在气候潮湿,高温又飞绒多的环境中使用三年以上的变频器有近80%的都会出现此报警,当出现此类故障报警后,面板按键不起作用。
故障原因:施耐德ATV31H系列变频器使用了薄膜面板,当显示“INF”故障时,薄膜按键都不起作用。从显示板上拔出薄膜插线,用万用表测量可以知道第二根线与第七根线已经断路。薄膜无法修复。
维修办法:由于损坏量大,从节约角度出发,不更换薄膜。找到显示板上的CN11插座从PCB面用导线直接将2脚与7脚连接,故障消失。
2.OLF故障报警
机器型号:ATV31HU22N4/2.2KW变频器
故障现象:机器运转一段时间后停机保护,面板显示“OLF”,变频器温度过高。
维修方法:经过观察是24V的风扇不转,检查24V电压正常,更换后机器恢复正常。
3.OLF故障报警
机器型号:ATV31HU22N4/2.2KW变频器
故障现象:机器运转一段时间后停机保护,面板显示“OLF”。
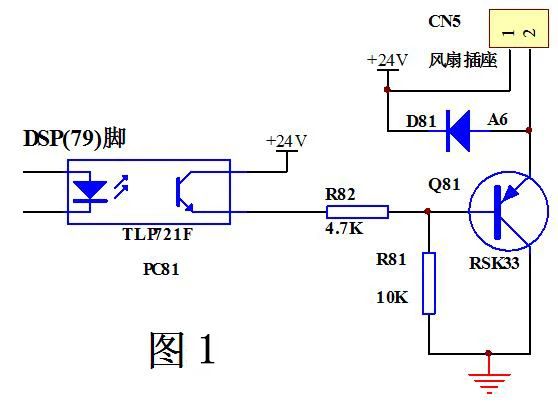
维修方法:经过观察24V风扇不转,检查风扇端口无24V。实绘原理图见图1。风扇的控制信号来自DSP的79脚,经过PC81(TLP721F)光耦来控制Q81(RSK)的导通风扇插座+24V输出。用万用表检查+24V电源电压正常,检查Q81的基极控制电压正常。测量Q81(RKS)损坏。经查贴片元件手册得知RKS的型号为BFP194。极性为PNP,封装为SOT23。主要参数为:Ic=100mA、Ib=10mA、Uceo=15V、Ucbo=20V、Uebo=3V。由于无法购买到原件,试用9012代换,机器正常,9012的温升正常。

4.无显示案例1
机器型号:ATV31HU75N4/7.5KW变频器
故障现象:面板无显示,控制端口无+10V、+24V。

机器型号:ATV31HU55N4/5.5KW变频器
故障现象:面板无显示,控制端口无+10V、+24V。

机器型号:ATV31HU22N4/2.2KW变频器
故障现象:面板无显示,控制端口无+10V、+24V。
维修方法:拆开线路板后,有明显的焦味,目测D16已经烧焦。更换D16(F65J),未插24V风扇,机器正常。插上风扇后,显示正常,但启动电动机后,风扇开始运转,有明显的焦味,接着显示消失。打开线路板后,发现D16(F65J)又烧毁,怀疑D16电流太小。更换大电流二极管,通电试机,还是烧毁D16。根据图1检查外围线路正常,考虑风扇是否电流过大,改用0.1A/24V的风扇(原是0.24A/24V的风扇),接通线路后还是烧毁D16,维修陷入绝境。后来考虑到风扇不运转时+24V正常,风扇运转后立即烧坏D16,也就是D16不能带负载。怀疑开关电源的震荡频率是否升高,检查开关线路的震荡贴片电容,当查到C26时(见图2),发现没有容量,用2200P的电容更换后机器恢复正常。
7.无显示案例4
机器型号:ATV31HU55N4/5.5KW变频器
故障现象:面板无显示,控制端口无+10V、+24V。
维修方法:打开线路板,发现IGBT模块有明显的击穿痕迹,拆开模块可以看到模块内的三相桥已经损坏,模块的型号是西门康公司产的Skiip 31NAB125T12。考虑到模块价格高且很难购买,平时在维修国产变频器经常看到用两只桥堆代替三相桥。就到市场上购买了两只35A/1200V的单相桥堆,在外壳的铝板上打两个孔固定好桥堆。桥堆的接线桩头一定要用热缩管包裹好(以防触电),将接线接入线路板,通电后机器正常,所改装的变频器一直使用到现在。用此方法共修复了六台5.5KW和7.5KW变频器。大大降低了维修成本。
8.无显示案例5
机器型号:ATV31HU22N4/2.2KW变频器
故障现象:面板无显示,控制端口无+10V、+24V。
维修方法:打开线路板,发现模块(FP15R12YT3)已经明显击穿,检查模块外围线路发现ZD142、ZD152(16V稳压管)、D143、D153(A6)、R127、R137(120Ω)已经损坏,更换上述元件后,通电有显示,但显示故障代码“SCF”,查手册得知是电动机短路。电动机还未接入变频器,考虑到R127、R137的损坏,更换了下桥驱动集成电路IC101(原型号为TD62930F,替换型号为TD62930FG),通电机器正常。
9.无显示案例6
机器型号:ATV31HU75N4/7.5KW变频器
故障现象:面板无显示,控制端口无+10V、+24V。
维修方法:打开线路板,发现模块(Skiip 32NAB125T12)IGBT管已经损坏两组,查模块外围元件,发现ZD171、ZD172(15V稳压管)、D112、D122(A6)、R111(51Ω)、PC1(HCNW3120)损坏,更换上述元件后,通电显示正常,但显示故障代码“SCF”。考虑到光耦PC1(HCNW3120)的损坏,更换IC102(SN74HC14ANSR)后,故障排除。
10.INF故障报警
机器型号:ATV31H075N4/0.75KW变频器
维修方法:面板按键不起作用,短接CN11的2和7脚后,故障依旧。更换显示板和薄膜面板后,故障未排除,试更换存储器IC3(M93C76MN3T)后,故障排除。
11.CFF故障报警
机器型号:ATV31HU30N4A/3KW变频器
维修方法:查厂家安装编程手册为配置故障,进入菜单调整相关参数和恢复出厂设置,均未能排除。更换IC3(F93C76)存储器后,故障排除。
12.CRF报警
机器型号:ATV31HU22N4A/2.2KW变频器